You are here: Home » Products » Hydraulic Motor » Hydraulic Vane Motor » M4C M4D M4E Series Hydraulic Vane Motor

M4C M4D M4E Series Hydraulic Vane Motor

  • M4C M4D M4E

  • Green Hydraulic

  • Yes

  • ISO9001,CE

  • • Industrial • Energy • Government (Non Aerospace) • HVAC • Mobile • Natural Resources • Transportation (Non Aerospace)

  • 1. Industrial Hydraulic Systems 2. Mobile Equipment (Industrial Vehicles) 3. Construction and Engineering Machinery 4. Metallurgy Industry

  • Key Shaft and Spline shaft

  • 1 set

Availability:
facebook sharing button
twitter sharing button
line sharing button
wechat sharing button
linkedin sharing button
pinterest sharing button
whatsapp sharing button
sharethis sharing button

M4C M4D M4E

M3B M4C M4D M4E Series Hydraulic Vane Motor Overview

M4C M4D M4E series interchangeable with Parker Denison Vane motor.This wide range of hydraulic vane motors allows selection of a model to suit any particular application. They are used industrially where there is a need to provide a relatively high torque from a power source of small dimensions.

The low moment of inertia of the rotating group admits high acceleration and deceleration resulting in rapid response to system control signals.

Core Features & Advantages

1.Reliable performance

The M3 and M4 motors have been designed especially for severe duty applications which require long lasting medium pressure, high speed and reversing capabilities even with low fluid lubricity. Their performances remain stable over time.

2.Long lifetime

The fully pressure balanced concept increase the motor lifetime over its full speed range. Double lip vanes reduce the sensitivity to fluid pollution.

3.Low noise

The bearing capabilities are totally dedicated to the external loads on the shaft ends, whatever the operating pressures are.

Simply silent! The Denison Vane Technology allows a very low noise level, whatever the speed.

4.Low torque ripple

Thanks to their 10 vanes, advanced cam ring profile, two torque cycles per revolution and low internal dead volumes, the M3 and M4 motors exhibit a very low torque ripple, even at low speeds.

5.Versatility and compactness

With several displacements for the same installation size, the M3 and M4 motors are very powerful and compact.

Denison Hydraulic Vane Motor M4C M4D M4E Technical Data

Series

Size

Displ.

Max. pressure /bar

Operating pressure range drain

Max.speed for low loaded condion1

Max speed for max.pressure ratings

HF-0, HF-2

HF-6a, HF-6b

HF-1

HF-3, HF-5

HF-4

HF-0, HF-2

HF-6a,HF-6b

HF-1

bar

bar

bar

bar

bar

(bar)

rpm

Cont. rpm

Int.2)rpm

Cont. rpm

Int.2)rpm

Cont. rpm

Int.2)rpm

M3

B

18

210

1.5

4000

3000

3600

-

27

3000

3600

36

3000

3600

M4

C

24

230

175

175

140

3.5

2500

3600

2500

3600

2000

2500

27

175

175

140

2500

3600

2500

3600

2000

2500

31

175

175

140

2500

3600

2500

3600

2000

2500

43

175

175

140

2500

3600

2500

3600

2000

2500

55

210

175

175

140

2500

3600

2500

3600

2000

2500

67

175

175

140

2500

3600

2500

3600

2000

2500

75

175

175

175

140

2500

3600

2500

3600

2000

2500

D

88

230

140

140

140

2500

3000

2500

3000

2000

2500

102

210

140

140

140

2500

3000

2500

3000

2000

2500

113

210

140

140

140

2500

3000

2500

3000

2000

2500

128

190

140

140

140

2500

3000

2500

3000

2000

2500

138

175

140

140

140

2500

3000

2500

3000

2000

2500

E

153

190

140

140

140

3600

2500

3000

2500

3000

1800

2200

185

180

140

140

140

2500

3000

2500

3000

1800

2200

214

175

140

140

140

2500

3000

2500

3000

1800

2200

M4C M4D M4E Denison Hydraulic Vane Motors Description

M4C M4D M4E Denison Hydraulic Vane Motors Description.png

M4E Hydraulic Vane Motors Dimensions

M4E Dimensions.png

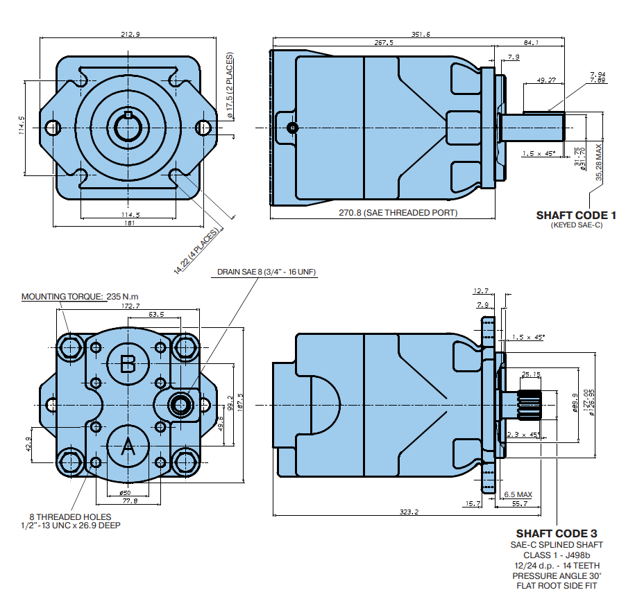
M4C Hydraulic Vane Motors Dimensions

M4C Dimensions.png

M4D Hydraulic Vane Motors Dimensions\

M4D Dimensions.png

Model Codes

M4C M4D M4E Denison Hydraulic Vane Motors CODES.png

M3B M4C M4D M4E Series Hydraulic Vane Motor Applications

1. Lifting & Winch Systems
  • Hoist winches

  • Crane lifting mechanisms

  • Material handling equipment

2. Swing Drive Systems
  • Excavator upper structure rotation

  • Crane slewing systems

  • Drilling rig rotation

3. Propulsion & Travel Drives
  • Track or wheel drive systems

  • Mobile equipment propulsion

  • Mining and construction machinery

4. Marine Applications
  • Ship deck machinery

  • Winches and anchor handling systems

  • Marine propulsion auxiliaries

5. Industrial Machinery
  • Conveyor drives

  • Mixers and agitators

  • Rolling mills and processing equipment

6. Traction & Multi-Speed Drive Systems
  • Vehicles requiring 2-speed or 3-speed drive

  • Replacement for mechanical gearboxes (M4DC variants)

Vane Pump Application

Packaging & Delivery

Charge pumps are typically packaged securely to prevent damage during transit. The packaging includes:

Protective Wrapping: To safeguard the pump from environmental damage.

Custom Crates: For larger, heavier pumps, ensuring safe handling.

Documentation: Includes installation, maintenance instructions, and warranty details.

Delivery time depends on the model, customizations, and location but typically ranges from 2 to 6 weeks from the order date.

M3B M4C M4D M4E Series Hydraulic Vane Motor FAQ 

1. What is the volumetric efficiency range of these vane motors?

Under rated conditions, the volumetric efficiency is typically 90%–95%. Efficiency may decrease at low speed or with increased internal leakage due to wear.

2. What is the allowable case drain pressure?

The case drain pressure should generally be kept below 2 bar (0.2 MPa). Excessive back pressure can damage shaft seals and reduce motor life.

3. What is the recommended filtration level?

A filtration level of ISO 4406 18/16/13 or better is recommended, with a filter rating of ≤25 μm (preferably 10–15 μm) to prevent vane and cam ring wear.

4. What is the maximum allowable shaft load?

Radial and axial shaft loads must be within manufacturer limits. Excessive loads can lead to bearing failure and shaft misalignment. External support is recommended for high radial load applications (e.g., belt drive).

5. What is the minimum operating speed?

These vane motors can operate at very low speeds, typically as low as 10–50 rpm, while maintaining stable torque output with minimal torque ripple.

6. How does fluid viscosity affect performance?

Optimal viscosity range is typically 20–100 cSt:

  • Too low → increased leakage and reduced lubrication

  • Too high → increased friction, startup difficulty, and energy loss

7. What are the key causes of vane wear or failure?

Common causes include:

  • Contaminated hydraulic oil

  • Insufficient lubrication (low viscosity)

  • Cavitation due to poor inlet conditions

  • Excessive pressure or temperature

  • Improper installation or misalignment

8. How to prevent cavitation in vane motors?

To avoid cavitation:

  • Ensure sufficient inlet pressure (avoid vacuum conditions)

  • Use properly sized suction lines

  • Minimize pressure losses in the inlet circuit

  • Maintain proper oil level in the reservoir

  • Avoid high-speed operation under low inlet pressure

Certifications & Quality Assurance

Charge pumps are manufactured in compliance with international standards, ensuring high performance and reliability:

ISO 9001: Certified for quality management systems.

CE Certification: Ensures compliance with European safety, health, and environmental protection standards.

RoHS Compliance: Ensures the pump does not contain hazardous materials.

Factory Testing: Every pump is rigorously tested for performance, pressure, and leak integrity before shipping.

Green Hydraulic Patent Certificate

FAQ

1.How does the variable displacement vane pump work?

The pump's flow is adjusted by changing the angle of an internal swash plate. As the swash plate angle changes, the stroke length of the pistons varies, which in turn changes the volume of fluid displaced per rotation, allowing the flow rate to adapt to the system's needs.

2.What's our advantages?

Factory established in 2005;

With a great deal of production experience;

80+ employees become the professional team;

Constant updated ERP system ensure efficiency of work;

Sophisticated equipment ehanced the accuracy of products;

Professional salesmen provide the greast service;

With a large number of famous customers all over the world;

Great after-sales service;

With the long term cooperation with famous logistics and express company in China,provide the better goods service.

3.What is your payment terms?

Small order/sample order,full payment in advance; Big orders send the first payment 30% before the production,and the balance before shippment.We'll show the photos of the products and packages before delivery.

4.Can you make my own brand on the products?

Of course we can. Just send me your logo  we can make it for you.

5.What is our main export market?

America(40.5%):USA, Canada, Argentina, Brazil

Europe(30.8%):Italy,Germany,England,Holland,Spain,Swiss,Finland,Russia,Poland.

Asia(23.5%):Korea,singapore,India,Turkey,Vietnam,Saudi Arabia,Syria, Israel,Lebanon.

Others(5.8%).

Unedited footage of the Green Hydraulic Factory

The Green hydraulic pump manufacturing facility is a specialized industrial plant that focuses on producing hydraulic pumps and related components. These factories are equipped with advanced machinery and technology to fabricate high-quality pumps designed for a wide range of applications, from heavy equipment and machinery to automotive and industrial systems.

Unedited footage of the Green Hydraulic Factory

The production process typically involves precision engineering, where raw materials like metals and alloys are processed into pump components such as gears, pistons, cylinders, and seals. These parts are then assembled into fully functional hydraulic pumps, which are tested for performance and quality control to ensure reliability, efficiency, and durability under various working conditions.

Unedited footage of the Green Hydraulic Factory

Green Hydraulic's manufacturing facilities for hydraulic pumps maintain stringent quality standards, often adhering to international certifications, to meet the expectations of customers in industries such as construction, agriculture, automotive, and manufacturing.

Unedited footage of the Green Hydraulic Factory3

All hydraulic pumps produced by Green Hydraulic have undergone compliance testing, ensuring their quality and reliability.

Unedited footage of the Green Hydraulic Factory4

To meet the diverse needs of different industries, the green hydraulic offer customization options, such as specialized seals, materials, and pump configurations. These facilities often work closely with engineering teams to develop tailored solutions for specific applications, from high-pressure systems to low-flow, high-efficiency pumps.

Unedited footage of the Green Hydraulic Factory5

Each pump undergoes a rigorous quality control process, where pressure tests and performance assessments are conducted to ensure that the pumps meet the required standards for flow rate, pressure capacity, and durability.

Green Hydraulic Advantages
Green logo

Previous: 
Next: 

GREEN HYDRAULIC CAN GIVE YOU THE SERVICE AND ATTENTION THAT BIGGER COMPANIES CANNOT

Contact us
If There Are Any Gerreen Machining lssues,
Please Contact Us.
Hydraulic
Application
Why Green
COPYRIGHT © 2025 CHANGZHOU GREEN HYDRAULIC CO., LTD. ALL RIGHTS RESERVED.