KP, KFP, And KFS Series
Green Hydraulic
Yes
ISO9001,CE
• Industrial • Energy • Government (Non Aerospace) • HVAC • Mobile • Natural Resources • Transportation (Non Aerospace)
1.Agricultural Equipment 2.Industrial Machinery 3.Construction Equipment 4.Material Handling
Key Shaft and Spline shaft
1 set
| Availability: | |
|---|---|
Product Description
The KP Series Hydraulic Gear Pump is a compact and reliable external gear pump designed for light to medium-duty hydraulic applications. With a simple structure and stable performance, it delivers consistent flow and pressure, making it ideal for mobile equipment and basic industrial systems.
Compact and lightweight design
Cost-effective solution
Easy installation and maintenance
Suitable for standard hydraulic systems

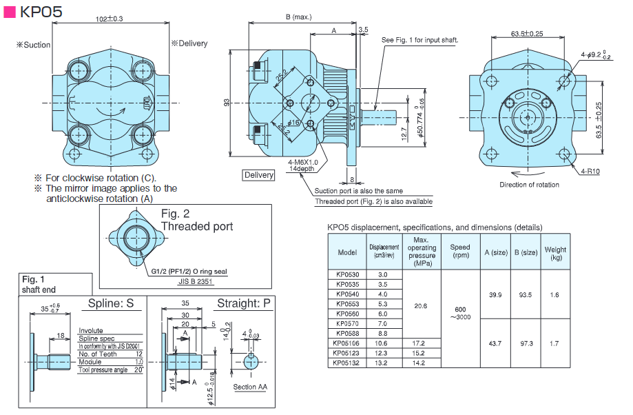
| Series | Displacement (cm³/rev) | Max. Operating Pressure (MPa) | Speed (rpm) | Max. Flow Rate | Weight (kg) | Old Model Name | Compatibility |
|---|---|---|---|---|---|---|---|
| KP05 | 3.0 – 13.2 (10 types) | 20.6 | 600 – 3000 | 39 | 1.6 – 1.7 | GPI | ○ |
| KFP23 | 11.9 – 33.3 (10 types) | 20.6 | 600 – 3000 | 100 | 2.4 – 4.3 | KP34 / KFP22 | △ / ○ |
| KFS23* | 12.5 – 32.8 (10 types) | 20.6 | 600 – 3000 | 100 | 2.4 – 4.3 | DGP4 / KFS4 | △ / △ |
| KFP32 | 20.0 – 60.0 (11 types) | 20.6 | 600 – 3000 | 125 | 3.9 – 11.4 | 2P3000 | △ |
| KFS32* | 20.7 – 51.6 (9 types) | 20.6 | 600 – 3000 | 125 | 3.9 – 9.5 | — | — |
| KFP51 | 63.0 – 125.0 (7 types) | 20.6 | 600 – 2500 | 250 | 20.5 – 24.7 | KP50 | ○ |

Applications
Construction Machinery (Excavators, Loaders)
Agricultural Equipment (Tractors, Harvesters)
Material Handling (Forklifts, Pallet Trucks)
Industrial Machinery (Presses, Conveyors)
Mobile Equipment (Dump Trucks, Utility Vehicles)
KP, KFP, And KFS Series Pumps are typically packaged securely to prevent damage during transit. The packaging includes:
Protective Wrapping: To safeguard the pump from environmental damage.
Custom Crates: For larger, heavier pumps, ensuring safe handling.
Documentation: Includes installation, maintenance instructions, and warranty details.
Delivery time depends on the model, customizations, and location but typically ranges from 2 to 6 weeks from the order date.
KP is a basic, cost-effective series for light-duty use, KFP offers improved performance and durability, while KFS is a low-noise (low pulsation) version designed for smoother and quieter operation.
All three series typically support a maximum operating pressure of up to 20.6 MPa (206 bar), suitable for most industrial and mobile applications.
Yes, the KFS series features optimized internal design, reducing pulsation, vibration, and noise, making it ideal for noise-sensitive environments.
Yes, KP, KFP, and KFS pumps are often used as replacement solutions for models like GPI, KP34, KFP22, and others, with high compatibility.
They are widely used in construction machinery, agriculture, forklifts, industrial equipment, and mobile hydraulic systems.
Yes, we support OEM customization, including displacement, shaft type, mounting, and port configurations to match your system requirements.
Yes, we support OEM and customization, including nameplate, packaging, and specific performance requirements. Send us your drawings or specifications for evaluation.
Please provide the following details:
Model or displacement
Working pressure
Speed
Quantity
We will reply within 12 hours with a competitive quotation.
KP, KFP, And KFS Series pumps are manufactured in compliance with international standards, ensuring high performance and reliability:
ISO 9001: Certified for quality management systems.
CE Certification: Ensures compliance with European safety, health, and environmental protection standards.
RoHS Compliance: Ensures the pump does not contain hazardous materials.
Factory Testing: Every pump is rigorously tested for performance, pressure, and leak integrity before shipping.
The pump's flow is adjusted by changing the angle of an internal swash plate. As the swash plate angle changes, the stroke length of the pistons varies, which in turn changes the volume of fluid displaced per rotation, allowing the flow rate to adapt to the system's needs.
Factory established in 2005;
With a great deal of production experience;
80+ employees become the professional team;
Constant updated ERP system ensure efficiency of work;
Sophisticated equipment ehanced the accuracy of products;
Professional salesmen provide the greast service;
With a large number of famous customers all over the world;
Great after-sales service;
With the long term cooperation with famous logistics and express company in China,provide the better goods service.
Small order/sample order,full payment in advance; Big orders send the first payment 30% before the production,and the balance before shippment.We'll show the photos of the products and packages before delivery.
Of course we can. Just send me your logo we can make it for you.
America(40.5%):USA, Canada, Argentina, Brazil
Europe(30.8%):Italy,Germany,England,Holland,Spain,Swiss,Finland,Russia,Poland.
Asia(23.5%):Korea,singapore,India,Turkey,Vietnam,Saudi Arabia,Syria, Israel,Lebanon.
Others(5.8%).
The Green hydraulic pump manufacturing facility is a specialized industrial plant that focuses on producing hydraulic pumps and related components. These factories are equipped with advanced machinery and technology to fabricate high-quality pumps designed for a wide range of applications, from heavy equipment and machinery to automotive and industrial systems.
The production process typically involves precision engineering, where raw materials like metals and alloys are processed into pump components such as gears, pistons, cylinders, and seals. These parts are then assembled into fully functional hydraulic pumps, which are tested for performance and quality control to ensure reliability, efficiency, and durability under various working conditions.
Green Hydraulic's manufacturing facilities for hydraulic pumps maintain stringent quality standards, often adhering to international certifications, to meet the expectations of customers in industries such as construction, agriculture, automotive, and manufacturing.
All hydraulic pumps produced by Green Hydraulic have undergone compliance testing, ensuring their quality and reliability.
To meet the diverse needs of different industries, the green hydraulic offer customization options, such as specialized seals, materials, and pump configurations. These facilities often work closely with engineering teams to develop tailored solutions for specific applications, from high-pressure systems to low-flow, high-efficiency pumps.
Each pump undergoes a rigorous quality control process, where pressure tests and performance assessments are conducted to ensure that the pumps meet the required standards for flow rate, pressure capacity, and durability.