1sp
Green Hydraulic
Yes
ISO9001,CE
Key Shaft and Spline shaft
1 set
| Availability: | |
|---|---|
Product Description
The 1SP Hydraulic Gear Pump is a high-performance, reliable, and efficient hydraulic gear pump designed for a wide range of industrial and mobile applications. Known for its robust construction and consistent performance, this pump provides stable hydraulic pressure and flow, making it ideal for demanding environments.
High Efficiency and Low Energy Consumption:
With a volumetric efficiency of 92%–95%, the pump minimizes energy loss, helping to reduce operational costs while maximizing hydraulic system performance.
Wide Application Range:
Suitable for a variety of industries including construction, agriculture, and mining, making it a versatile solution for both mobile and industrial hydraulic systems.
Durable and Reliable:
Built to withstand high pressures (up to 250 bar) and harsh conditions, the 1SP hydraulic gear pump offers long-lasting reliability, reducing maintenance needs and system downtime.
Compact and Quiet Operation:
The space-saving design and low noise operation enhance both installation flexibility and workplace comfort, making it ideal for systems with limited space or noise-sensitive environments.
High Flow and Speed Performance:
Capable of delivering up to 32 l/min and operating at speeds up to 6000 rpm, the pump ensures efficient power delivery, increasing productivity across a wide range of applications.

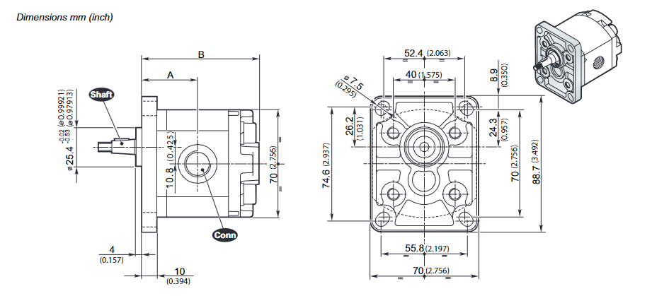
| Displacement [cm³/rev] (in⊃3;/rev) | Max. Working Pressure (P1) [bar (PSI)] | Max. Working Pressure (P2) [bar (PSI)] | Max. Working Pressure (P3) [bar (PSI)] | Max. Speed [rpm] | Max. Flow [l/min (Gal/min)] | Min. Speed [rpm] | Min. Flow [l/min (Gal/min)] | Dimensions [A] [mm (in)] | Dimensions [B] [mm (in)] | Mass [Kg (lbs)] | Min. Volumetric Efficiency [%] |
| 0.051 (0.0031) | 260 (3770) | 260 (3770) | 260 (3770) | 6000 | 1.7 (0.45) | 400 | 0.13 (0.034) | 38.8 (1.53) | 77.1 (3.04) | 0.91 | 92% |
| 1.18 (0.072) | 240 (3480) | 260 (3770) | 260 (3770) | 6000 | 3.8 (1.00) | 400 | 0.16 (0.042) | 38.8 (1.53) | 85.2 (3.35) | 1.91 | 92% |
| 1.6 (0.098) | 240 (3480) | 260 (3770) | 260 (3770) | 5500 | 6.0 (1.59) | 400 | 0.17 (0.045) | 39.7 (1.56) | 79.9 (3.15) | 0.95 | 92% |
| 2.0 (0.122) | 220 (3080) | 250 (3620) | 250 (3620) | 5000 | 7.5 (1.98) | 400 | 0.19 (0.050) | 39.7 (1.56) | 79.9 (3.15) | 0.97 | 92% |
| 2.5 (0.153) | 220 (3080) | 250 (3620) | 250 (3620) | 5000 | 9.5 (2.51) | 400 | 0.24 (0.064) | 41.4 (1.63) | 80.4 (3.16) | 1.04 | 92% |
| 3.2 (0.195) | 210 (3040) | 240 (3480) | 240 (3480) | 5000 | 12.5 (3.30) | 400 | 0.27 (0.071) | 42.6 (1.68) | 85.0 (3.35) | 1.10 | 92% |
| 3.7 (0.225) | 210 (3040) | 250 (3620) | 250 (3620) | 4800 | 14.5 (3.83) | 400 | 0.30 (0.079) | 42.6 (1.68) | 85.0 (3.35) | 1.23 | 92% |
| 4.2 (0.257) | 210 (3040) | 250 (3620) | 250 (3620) | 4800 | 16.0 (4.22) | 400 | 0.33 (0.087) | 44.1 (1.74) | 85.0 (3.35) | 1.25 | 92% |
| 5.0 (0.305) | 200 (2900) | 240 (3480) | 240 (3480) | 4500 | 18.5 (4.89) | 400 | 0.37 (0.098) | 45.3 (1.78) | 87.0 (3.43) | 1.36 | 92% |
| 6.1 (0.373) | 190 (2760) | 240 (3480) | 240 (3480) | 4500 | 20.0 (5.28) | 400 | 0.40 (0.106) | 45.3 (1.78) | 87.0 (3.43) | 1.43 | 92% |
| 6.7 (0.409) | 180 (2610) | 240 (3480) | 240 (3480) | 4200 | 24.0 (6.34) | 400 | 0.42 (0.111) | 46.5 (1.83) | 88.2 (3.47) | 1.49 | 92% |
| 7.8 (0.476) | 170 (2465) | 210 (3040) | 210 (3040) | 4000 | 28.0 (7.40) | 400 | 0.46 (0.122) | 47.3 (1.86) | 89.3 (3.52) | 1.54 | 92% |
| 9.8 (0.598) | 160 (2320) | 210 (3040) | 210 (3040) | 4000 | 32.0 (8.45) | 400 | 0.50 (0.132) | 48.3 (1.90) | 90.4 (3.56) | 1.60 | 95% |
Applications
Construction Machinery:
The 1sp Hydraulic Gear Pump is used in various construction equipment, such as excavators, loaders, and bulldozers, to drive hydraulic systems and provide stable power for heavy-duty operations.
Agricultural Machinery:
In agriculture, the pump is commonly used in tractors, harvesters, seeders, and other farming machinery, providing hydraulic power for functions like steering, tilling, and other farming tasks.
Mining Equipment:
In mining operations, the 1sp Hydraulic Gear Pump is used in mining drills, conveyors, and loaders, offering hydraulic power to support the heavy-duty tasks involved in ore extraction and transportation.
Logistics and Transport:
The pump is used in forklift trucks, cranes, and container handling equipment, providing hydraulic power for lifting, transporting, and loading/unloading goods efficiently.
Oil and Gas Industry:
In the oil and gas industry, the 1sp Hydraulic Gear Pump is used to drive drilling operations, hydraulic support systems, and other equipment required for oil extraction and processing.
Marine and Offshore Equipment:
This pump is applied in marine vessels, where it powers hydraulic systems such as steering mechanisms, lifting devices, and cranes, ensuring smooth operation at sea.
Industrial Automation:
In industrial settings, the 1sp Hydraulic Gear Pump is used in automated production lines, robotic arms, hydraulic presses, and other machinery to provide reliable hydraulic power in manufacturing processes.
Environmental Equipment:
It is also used in environmental equipment, such as waste treatment facilities and solid waste management systems, providing hydraulic power to operate processing units efficiently.

1sp gear pumps are typically packaged securely to prevent damage during transit. The packaging includes:
Protective Wrapping: To safeguard the pump from environmental damage.
Custom Crates: For larger, heavier pumps, ensuring safe handling.
Documentation: Includes installation, maintenance instructions, and warranty details.
Delivery time depends on the model, customizations, and location but typically ranges from 2 to 6 weeks from the order date.
The maximum pressure rating for the 1sp hydraulic gear pump is typically specified by the manufacturer, usually around 2500-3000 psi, but this can vary depending on the model and configuration.
The 1sp hydraulic gear pump is usually compatible with mineral oil-based hydraulic fluids, but always check the manufacturer’s guidelines for any specific recommendations or limitations on fluid types.
The installation process for the 1sp hydraulic gear pump includes ensuring that the mounting surface is clean and the correct shaft alignment is achieved. The pump should be securely fastened using proper bolts and gaskets, and the hydraulic lines should be connected as per the system's requirements.
Regular maintenance includes checking for any signs of leakage, inspecting the gear set for wear, ensuring that the hydraulic fluid is clean and at the correct level, and changing the fluid at recommended intervals to maintain pump performance and longevity.
Cavitation in a hydraulic gear pump can be caused by low fluid levels, air entering the pump, or improper fluid viscosity. To prevent cavitation, ensure that the pump is installed correctly, the hydraulic fluid is clean, and the system is properly pressurized.
The recommended operating speed is 800–1800 rpm. For special applications, we can help you confirm the correct speed range.
Yes, we support OEM and customization, including nameplate, packaging, and specific performance requirements. Send us your drawings or specifications for evaluation.
Please provide the following details:
Model or displacement
Working pressure
Speed
Quantity
We will reply within 12 hours with a competitive quotation.
1sp pumps are manufactured in compliance with international standards, ensuring high performance and reliability:
ISO 9001: Certified for quality management systems.
CE Certification: Ensures compliance with European safety, health, and environmental protection standards.
RoHS Compliance: Ensures the pump does not contain hazardous materials.
Factory Testing: Every pump is rigorously tested for performance, pressure, and leak integrity before shipping.
The pump's flow is adjusted by changing the angle of an internal swash plate. As the swash plate angle changes, the stroke length of the pistons varies, which in turn changes the volume of fluid displaced per rotation, allowing the flow rate to adapt to the system's needs.
Factory established in 2005;
With a great deal of production experience;
80+ employees become the professional team;
Constant updated ERP system ensure efficiency of work;
Sophisticated equipment ehanced the accuracy of products;
Professional salesmen provide the greast service;
With a large number of famous customers all over the world;
Great after-sales service;
With the long term cooperation with famous logistics and express company in China,provide the better goods service.
Small order/sample order,full payment in advance; Big orders send the first payment 30% before the production,and the balance before shippment.We'll show the photos of the products and packages before delivery.
Of course we can. Just send me your logo we can make it for you.
America(40.5%):USA, Canada, Argentina, Brazil
Europe(30.8%):Italy,Germany,England,Holland,Spain,Swiss,Finland,Russia,Poland.
Asia(23.5%):Korea,singapore,India,Turkey,Vietnam,Saudi Arabia,Syria, Israel,Lebanon.
Others(5.8%).
The Green hydraulic pump manufacturing facility is a specialized industrial plant that focuses on producing hydraulic pumps and related components. These factories are equipped with advanced machinery and technology to fabricate high-quality pumps designed for a wide range of applications, from heavy equipment and machinery to automotive and industrial systems.
The production process typically involves precision engineering, where raw materials like metals and alloys are processed into pump components such as gears, pistons, cylinders, and seals. These parts are then assembled into fully functional hydraulic pumps, which are tested for performance and quality control to ensure reliability, efficiency, and durability under various working conditions.
Green Hydraulic's manufacturing facilities for hydraulic pumps maintain stringent quality standards, often adhering to international certifications, to meet the expectations of customers in industries such as construction, agriculture, automotive, and manufacturing.
All hydraulic pumps produced by Green Hydraulic have undergone compliance testing, ensuring their quality and reliability.
To meet the diverse needs of different industries, the green hydraulic offer customization options, such as specialized seals, materials, and pump configurations. These facilities often work closely with engineering teams to develop tailored solutions for specific applications, from high-pressure systems to low-flow, high-efficiency pumps.
Each pump undergoes a rigorous quality control process, where pressure tests and performance assessments are conducted to ensure that the pumps meet the required standards for flow rate, pressure capacity, and durability.