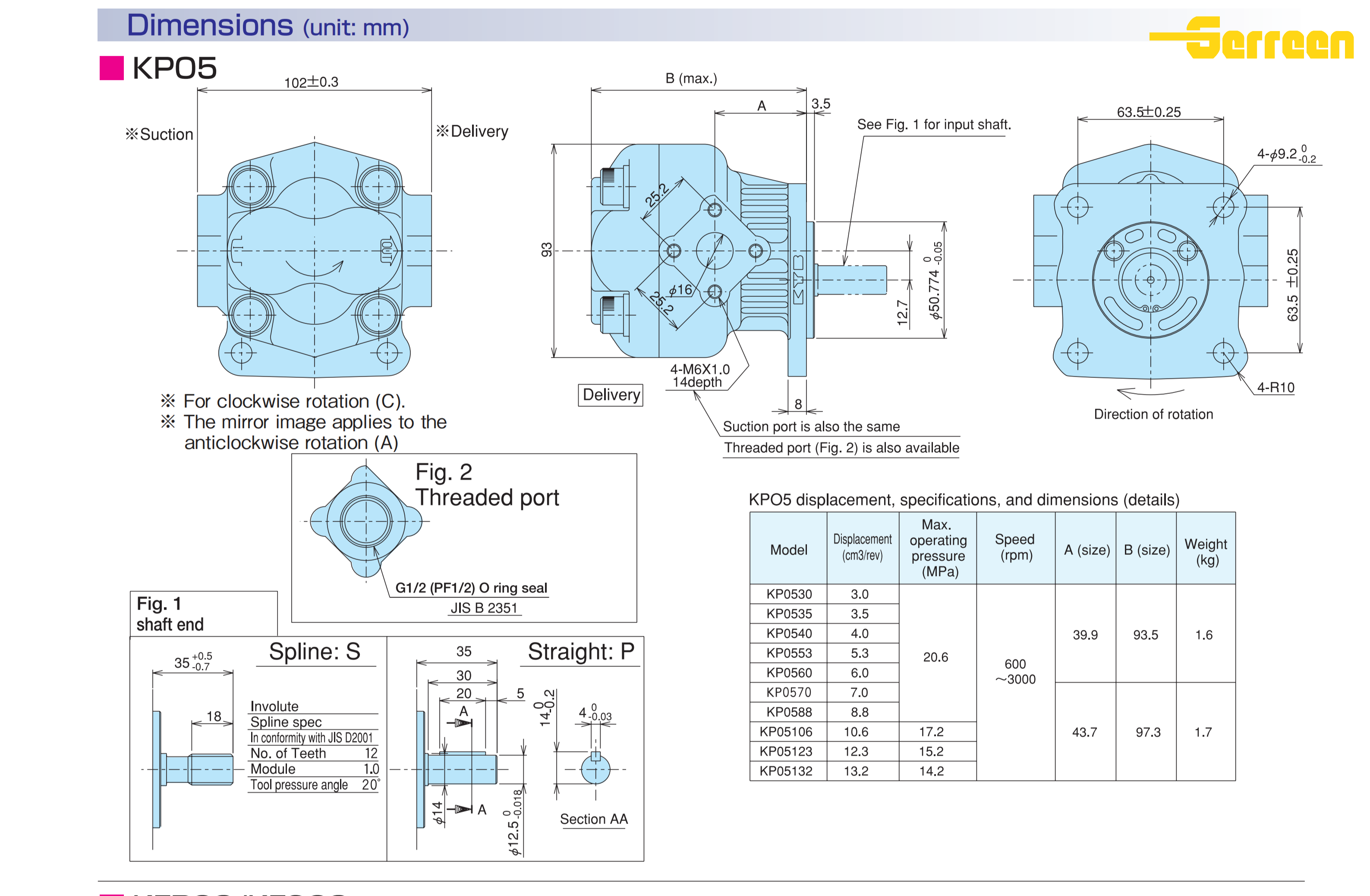
KP05
Green Hydraulic
KP05
Standard export carton/plywood case
Yes
ISO9001,CE
• Industrial • Energy • Government (Non Aerospace) • HVAC • Mobile • Natural Resources • Transportation (Non Aerospace)
1. Industrial Hydraulic Systems 2. Mobile Equipment (Industrial Vehicles) 3. Construction and Engineering Machinery 4. Metallurgy Industry
Key Shaft and Spline shaft
1 set
| Availability: | |
|---|---|
Product Description
The KP05 series is a high-performance, compact external gear pump manufactured by KYB (Kayaba). Known for its lightweight yet rugged construction, the KP05 is engineered to deliver reliable hydraulic power in space-constrained environments. With its high-strength aluminum alloy body and precision-ground gears, it has become a benchmark for auxiliary and pilot power systems in the global construction and material handling industries.

| Model Code | Displacement | Rated Pressure | Peak Pressure | Max Speed |
| KP0530 | 3.0 cc/rev | 20.6 MPa (210 bar) | 24.5 MPa (250 bar) | 4000 rpm |
| KP0540 | 4.0 cc/rev | 20.6 MPa (210 bar) | 24.5 MPa (250 bar) | 4000 rpm |
| KP0550 | 5.0 cc/rev | 20.6 MPa (210 bar) | 24.5 MPa (250 bar) | 4000 rpm |
| KP0560 | 6.0 cc/rev | 20.6 MPa (210 bar) | 24.5 MPa (250 bar) | 4000 rpm |
| KP0570 | 7.0 cc/rev | 20.6 MPa (210 bar) | 24.5 MPa (250 bar) | 3500 rpm |
| KP0588 | 8.8 cc/rev | 20.6 MPa (210 bar) | 24.5 MPa (250 bar) | 3500 rpm |
| KP0510 | 10.5 cc/rev | 17.7 MPa (180 bar) | 20.6 MPa (210 bar) | 3000 rpm |
| KP0512 | 12.3 cc/rev | 15.7 MPa (160 bar) | 18.6 MPa (190 bar) | 2500 rpm |

Applications
Material Handling: Primarily used as the main or auxiliary pump in forklifts (especially Japanese brands) for steering and lifting functions.
Construction Machinery: Frequently serves as the pilot pump for excavators, road rollers, and pavers to control hydraulic valve circuits.
Agricultural Equipment: Provides hydraulic power for tractor steering systems and implement controls.
Specialty Vehicles: Integrated into the hydraulic systems of aerial work platforms, sweepers, and small waste compactors.
KP05 pumps are typically packaged securely to prevent damage during transit. The packaging includes:
Protective Wrapping: To safeguard the pump from environmental damage.
Custom Crates: For larger, heavier pumps, ensuring safe handling.
Documentation: Includes installation, maintenance instructions, and warranty details.
Delivery time depends on the model, customizations, and location but typically ranges from 2 to 6 weeks from the order date.
The KP05 series are ultra-compact, high-pressure external gear pumps developed by KYB (Kayaba). They are primarily used as pilot pumps in excavators or as main hydraulic power sources in small material handling equipment (like forklifts) and agricultural machinery, valued for their lightweight aluminum construction and reliable performance.
KP05: Specifically designed for space-constrained applications, pilot control circuits, and steering systems.
KP10/KRP4: These are larger series for higher flow requirements.
If you are replacing a pump, check the displacement code (e.g., KP0570) to ensure the flow rate matches your system requirements.
Despite their small footprint, KP05 pumps are built for high-pressure duty. They typically operate at rated pressures between 20.6 MPa (210 bar) and 24.5 MPa (250 bar). They are engineered to handle the frequent pressure spikes common in pilot systems of construction machinery.
Yes, KP05 pumps are often interchangeable with other Group 1 aluminum pumps from brands like Shimadzu, Marzocchi, or Casappa, provided the mounting flange (standard 2-bolt or 4-bolt), shaft type (tapered, splined, or tang), and porting configurations match.
To ensure the longevity of the aluminum body and internal gears, we recommend:
High-quality mineral-based hydraulic oil (ISO VG32, VG46, or VG68 depending on your operating climate).
Anti-wear (AW) hydraulic fluids (ISO HM / DIN HLP) to protect precision-ground surfaces.
Maintaining strict oil filtration (ISO 18/15 or better) is critical to prevent premature wear in these small-displacement pumps.
The recommended operating speed for the KP05 series typically ranges from 500 to 4000 rpm. Their ability to operate at higher speeds compared to larger pumps makes them highly efficient for modern, high-speed engine applications.
Yes, we support OEM and customization, including nameplate, packaging, and specific performance requirements. Send us your drawings or specifications for evaluation.
Please provide the following details:
Model or displacement
Working pressure
Speed
Quantity
We will reply within 12 hours with a competitive quotation.
KP05 pumps are manufactured in compliance with international standards, ensuring high performance and reliability:
ISO 9001: Certified for quality management systems.
CE Certification: Ensures compliance with European safety, health, and environmental protection standards.
RoHS Compliance: Ensures the pump does not contain hazardous materials.
Factory Testing: Every pump is rigorously tested for performance, pressure, and leak integrity before shipping.
The pump's flow is adjusted by changing the angle of an internal swash plate. As the swash plate angle changes, the stroke length of the pistons varies, which in turn changes the volume of fluid displaced per rotation, allowing the flow rate to adapt to the system's needs.
Factory established in 2005;
With a great deal of production experience;
80+ employees become the professional team;
Constant updated ERP system ensure efficiency of work;
Sophisticated equipment ehanced the accuracy of products;
Professional salesmen provide the greast service;
With a large number of famous customers all over the world;
Great after-sales service;
With the long term cooperation with famous logistics and express company in China,provide the better goods service.
Small order/sample order,full payment in advance; Big orders send the first payment 30% before the production,and the balance before shippment.We'll show the photos of the products and packages before delivery.
Of course we can. Just send me your logo we can make it for you.
America(40.5%):USA, Canada, Argentina, Brazil
Europe(30.8%):Italy,Germany,England,Holland,Spain,Swiss,Finland,Russia,Poland.
Asia(23.5%):Korea,singapore,India,Turkey,Vietnam,Saudi Arabia,Syria, Israel,Lebanon.
Others(5.8%).
The Green hydraulic pump manufacturing facility is a specialized industrial plant that focuses on producing hydraulic pumps and related components. These factories are equipped with advanced machinery and technology to fabricate high-quality pumps designed for a wide range of applications, from heavy equipment and machinery to automotive and industrial systems.
The production process typically involves precision engineering, where raw materials like metals and alloys are processed into pump components such as gears, pistons, cylinders, and seals. These parts are then assembled into fully functional hydraulic pumps, which are tested for performance and quality control to ensure reliability, efficiency, and durability under various working conditions.
Green Hydraulic's manufacturing facilities for hydraulic pumps maintain stringent quality standards, often adhering to international certifications, to meet the expectations of customers in industries such as construction, agriculture, automotive, and manufacturing.
All hydraulic pumps produced by Green Hydraulic have undergone compliance testing, ensuring their quality and reliability.
To meet the diverse needs of different industries, the green hydraulic offer customization options, such as specialized seals, materials, and pump configurations. These facilities often work closely with engineering teams to develop tailored solutions for specific applications, from high-pressure systems to low-flow, high-efficiency pumps.
Each pump undergoes a rigorous quality control process, where pressure tests and performance assessments are conducted to ensure that the pumps meet the required standards for flow rate, pressure capacity, and durability.