CBK-2
Green Hydraulic
1 set
| Availability: | |
|---|---|
Product Description
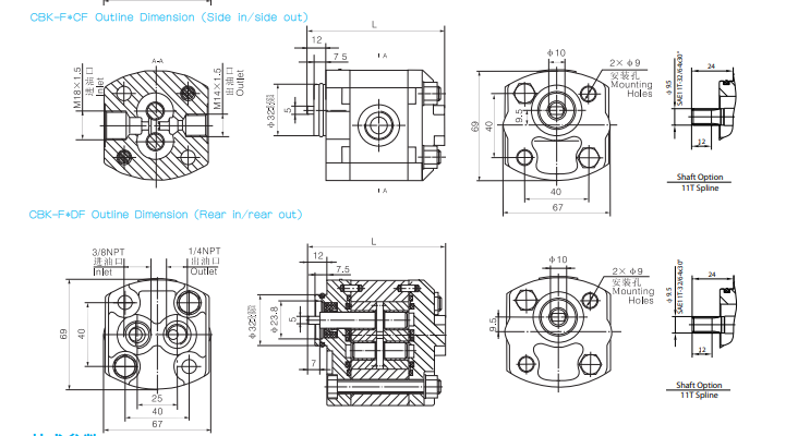
CBK-2 hydraulic gear pump is a compact external gear pump designed for stable pressure output and efficient hydraulic power transmission. It features reliable performance, durable construction, and easy installation, making it widely used in agricultural machinery, forklifts, construction equipment, and small hydraulic power units.
Compact design for easy installation
Stable flow and pressure output
High efficiency and reliable operation
Durable construction for long service life
Suitable for various hydraulic systems

| Model | Displacement mL/r (in⊃3;/r) | P1 (MPa) | P2 (MPa) | P3 (MPa) | Rated Speed (RPM) | Max Speed (RPM) | L (mm) | Efficiency |
|---|---|---|---|---|---|---|---|---|
| CBK-F0.63** | 0.63 (0.038) | 20 | 25 | 28 | 2000 | 4000 | 84.5 | 85% |
| CBK-F0.8** | 0.89 (0.054) | 20 | 25 | 28 | 2000 | 4000 | 85.5 | 85% |
| CBK-F1.2** | 1.27 (0.078) | 20 | 25 | 28 | 2000 | 4000 | 87.0 | 86% |
| CBK-F1.5** | 1.487 (0.091) | 20 | 25 | 28 | 2000 | 4000 | 87.8 | 86% |
| CBK-F1.6** | 1.66 (0.101) | 20 | 25 | 28 | 2000 | 4000 | 88.5 | 86% |
| CBK-F2.0** | 2.05 (0.125) | 20 | 25 | 28 | 2000 | 4000 | 90.0 | 88% |
| CBK-F2.1** | 2.17 (0.132) | 20 | 25 | 28 | 2000 | 4000 | 90.5 | 88% |
| CBK-F2.5** | 2.56 (0.156) | 20 | 25 | 28 | 2000 | 4000 | 92.0 | 88% |
| CBK-F2.7** | 2.80 (0.171) | 20 | 25 | 28 | 2000 | 4000 | 93.0 | 88% |
| CBK-F3.2** | 3.32 (0.203) | 18 | 23 | 26 | 2000 | 3600 | 95.0 | 89% |
| CBK-F3.7** | 3.80 (0.232) | 18 | 23 | 26 | 2000 | 3600 | 97.0 | 89% |
| CBK-F4.2** | 4.30 (0.263) | 18 | 23 | 26 | 2000 | 3600 | 99.0 | 89% |
| CBK-F5** | 5.10 (0.311) | 14 | 18 | 23 | 1500 | 3000 | 102.0 | 90% |
| CBK-F6** | 6.03 (0.368) | 14 | 18 | 23 | 1500 | 3000 | 105.5 | 90% |
| CBK-F8** | 8.08 (0.493) | 10 | 14 | 18 | 1500 | 3000 | 113.5 | 90% |

Applications
Agricultural Machinery
Construction Equipment
Forklifts and Material Handling
Small Hydraulic Power Units
Industrial Hydraulic Systems
CBK-2 pumps are typically packaged securely to prevent damage during transit. The packaging includes:
Protective Wrapping: To safeguard the pump from environmental damage.
Custom Crates: For larger, heavier pumps, ensuring safe handling.
Documentation: Includes installation, maintenance instructions, and warranty details.
Delivery time depends on the model, customizations, and location but typically ranges from 2 to 6 weeks from the order date.
1. What type of pump is CBK-2?
CBK-2 is a compact external hydraulic gear pump for low to medium pressure systems.
2. What displacement range is available?
Displacements range from 0.63 mL/r to 8.08 mL/r.
3. What is the maximum working pressure?
Depending on model, maximum pressure can reach up to 28 MPa.
4. What applications is CBK-2 used for?
It is widely used in agricultural machines, forklifts, hydraulic units, and industrial equipment.
5. What is the maximum operating speed?
Max speed ranges from 3000 to 4000 RPM depending on model.
6. Does CBK-2 support different rotation directions?
Yes, left-hand and right-hand rotation options are available.
7. What hydraulic oil is recommended?
Standard anti-wear hydraulic oil is generally recommended.
8. Can you provide OEM replacement solutions?
Yes, OEM and customized replacement options are available.
CBK-2 pumps are manufactured in compliance with international standards, ensuring high performance and reliability:
ISO 9001: Certified for quality management systems.
CE Certification: Ensures compliance with European safety, health, and environmental protection standards.
RoHS Compliance: Ensures the pump does not contain hazardous materials.
Factory Testing: Every pump is rigorously tested for performance, pressure, and leak integrity before shipping.
The pump's flow is adjusted by changing the angle of an internal swash plate. As the swash plate angle changes, the stroke length of the pistons varies, which in turn changes the volume of fluid displaced per rotation, allowing the flow rate to adapt to the system's needs.
Factory established in 2005;
With a great deal of production experience;
80+ employees become the professional team;
Constant updated ERP system ensure efficiency of work;
Sophisticated equipment ehanced the accuracy of products;
Professional salesmen provide the greast service;
With a large number of famous customers all over the world;
Great after-sales service;
With the long term cooperation with famous logistics and express company in China,provide the better goods service.
Small order/sample order,full payment in advance; Big orders send the first payment 30% before the production,and the balance before shippment.We'll show the photos of the products and packages before delivery.
Of course we can. Just send me your logo we can make it for you.
America(40.5%):USA, Canada, Argentina, Brazil
Europe(30.8%):Italy,Germany,England,Holland,Spain,Swiss,Finland,Russia,Poland.
Asia(23.5%):Korea,singapore,India,Turkey,Vietnam,Saudi Arabia,Syria, Israel,Lebanon.
Others(5.8%).
The Green hydraulic pump manufacturing facility is a specialized industrial plant that focuses on producing hydraulic pumps and related components. These factories are equipped with advanced machinery and technology to fabricate high-quality pumps designed for a wide range of applications, from heavy equipment and machinery to automotive and industrial systems.
The production process typically involves precision engineering, where raw materials like metals and alloys are processed into pump components such as gears, pistons, cylinders, and seals. These parts are then assembled into fully functional hydraulic pumps, which are tested for performance and quality control to ensure reliability, efficiency, and durability under various working conditions.
Green Hydraulic's manufacturing facilities for hydraulic pumps maintain stringent quality standards, often adhering to international certifications, to meet the expectations of customers in industries such as construction, agriculture, automotive, and manufacturing.
All hydraulic pumps produced by Green Hydraulic have undergone compliance testing, ensuring their quality and reliability.
To meet the diverse needs of different industries, the green hydraulic offer customization options, such as specialized seals, materials, and pump configurations. These facilities often work closely with engineering teams to develop tailored solutions for specific applications, from high-pressure systems to low-flow, high-efficiency pumps.
Each pump undergoes a rigorous quality control process, where pressure tests and performance assessments are conducted to ensure that the pumps meet the required standards for flow rate, pressure capacity, and durability.