HGP-2A
Green Hydraulic
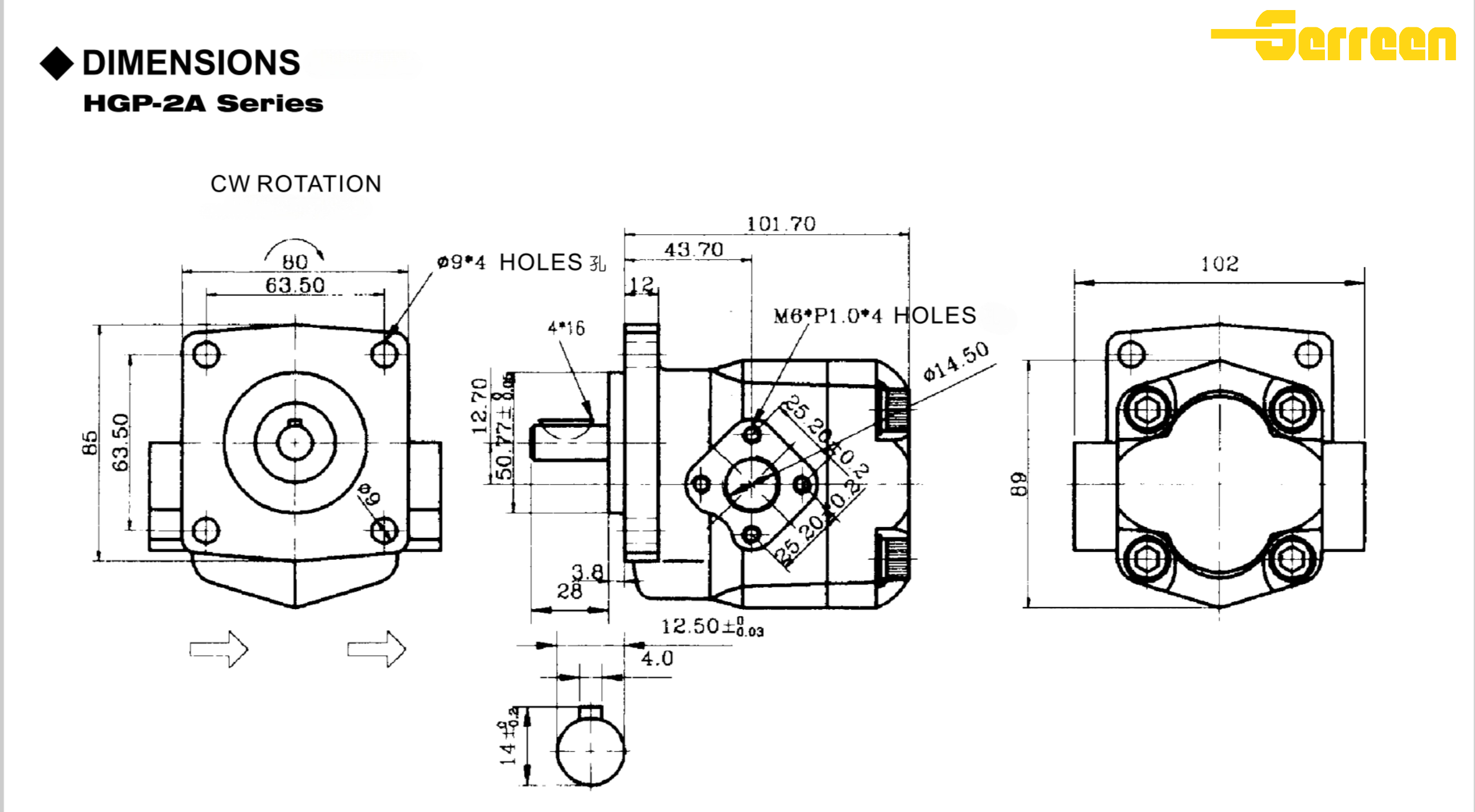
HGP-2A
Standard export carton/plywood case
Yes
ISO9001,CE
• Industrial • Energy • Government (Non Aerospace) • HVAC • Mobile • Natural Resources • Transportation (Non Aerospace)
1. Industrial Hydraulic Systems 2. Mobile Equipment (Industrial Vehicles) 3. Construction and Engineering Machinery 4. Metallurgy Industry
Key Shaft and Spline shaft
1 set
| Availability: | |
|---|---|
Product Description
The HGP-2A is a high-performance, fixed-displacement external gear pump specifically engineered for hydraulic systems that demand a balance of high-pressure capability and compact design. Featuring a high-strength aluminum alloy body, the HGP-2A is designed to provide exceptional volumetric efficiency and reliability. Its lightweight construction and robust internal engineering make it an ideal choice for both mobile equipment and industrial machinery where space is limited and consistent power output is essential.
High-Strength Aluminum Alloy Construction:
The HGP-2A is built with premium aluminum alloy bodies and covers, providing an excellent power-to-weight ratio. This robust construction ensures superior heat dissipation and structural integrity while minimizing the overall unit weight for easier mounting.
Advanced Pressure-Balanced Design:
Utilizing high-precision, pressure-balanced bush blocks, the HGP-2A automatically compensates for axial clearances. This ensures maximum volumetric efficiency and consistent performance across a wide range of operating temperatures and pressures.
Precision-Engineered Gears for Low Noise:
Equipped with precision-machined alloy steel gears, the HGP-2A is optimized to reduce flow pulsation and mechanical noise. This results in quiet, smooth operation, which is critical for operator comfort and indoor industrial environments.
Superior Durability and Service Life:
The use of high-quality, wear-resistant bearings and a specialized sealing system allows the HGP-2A to withstand rigorous duty cycles. It is designed for long-term reliability in demanding applications, reducing maintenance costs and downtime.
Modular Versatility and Installation Flexibility:
The HGP-2A series offers a broad range of displacements and supports standard SAE and metric mounting options. With flexible porting configurations (side or rear), it provides unmatched versatility for various hydraulic circuit layouts.

| Model Number | Theoretical Displacement (cc/rev) | Rated Pressure (MPa / bar) | Max. Peak Pressure (MPa / bar) | Max. Speed (min⁻⊃1;) | Min. Speed (min⁻⊃1;) |
| HGP-2A-F2 | 2.1 | 21 / 210 | 25 / 250 | 4000 | 600 |
| HGP-2A-F3 | 3.1 | 21 / 210 | 25 / 250 | 4000 | 600 |
| HGP-2A-F4 | 4.2 | 21 / 210 | 25 / 250 | 4000 | 500 |
| HGP-2A-F6 | 6.3 | 21 / 210 | 25 / 250 | 3500 | 500 |
| HGP-2A-F8 | 8.4 | 21 / 210 | 25 / 250 | 3500 | 500 |
| HGP-2A-F9 | 9.4 | 21 / 210 | 25 / 250 | 3500 | 500 |
| HGP-2A-F11 | 10.5 | 21 / 210 | 25 / 250 | 3000 | 500 |
| HGP-2A-F12 | 12.5 | 21 / 210 | 25 / 250 | 3000 | 500 |

Applications
Material Handling Equipment: A primary choice for electric forklifts, reach trucks, and pallet stackers, providing smooth power for lifting and auxiliary hydraulic functions.
Plastic & Industrial Machinery: Optimized for injection molding machines, small hydraulic presses, and clamping units that require high-cycle stability and precision.
Agricultural Machinery: Widely used in small tractors, harvesters, and seeding equipment, where the HGP-2A handles variable loads in outdoor environments.
Construction & Utility Vehicles: Ideal for truck-mounted cranes, aerial platforms, and small excavators, offering a durable and space-efficient power source.
Mobile Power Units: Frequently employed in hydraulic ramp systems, tailgate lifts, and portable power packs where a compact, high-pressure pump is required.
HGP-2A pumps are typically packaged securely to prevent damage during transit. The packaging includes:
Protective Wrapping: To safeguard the pump from environmental damage.
Custom Crates: For larger, heavier pumps, ensuring safe handling.
Documentation: Includes installation, maintenance instructions, and warranty details.
Delivery time depends on the model, customizations, and location but typically ranges from 2 to 6 weeks from the order date.
The HGP-2A is a high-performance, fixed-displacement external gear pump and a core component for medium-pressure hydraulic systems. Featuring a high-strength aluminum alloy construction, it is specifically engineered for compact applications that require high volumetric efficiency and a lightweight profile, commonly found in industrial and mobile machinery.
Pressure-Balanced Bushing Design: It utilizes advanced, pressure-balanced bush blocks that automatically compensate for axial clearances, ensuring high volumetric efficiency and consistent performance even as temperatures rise.
High-Strength Aluminum Body: The premium aluminum alloy housing provides excellent heat dissipation and a high power-to-weight ratio compared to cast iron alternatives.
Optimized Gear Geometry: Precision-cut gears minimize flow pulsation and mechanical noise, resulting in exceptionally quiet operation for indoor and operator-centric environments.
Continuous Pressure: Up to 210 bar (21 MPa / 3,000 PSI).
Intermittent/Peak Pressure: Up to 250 bar (25 MPa / 3,600 PSI).
This pressure capability makes the HGP-2A ideal for driving lifting, clamping, and steering systems in professional-grade equipment.
Shimadzu: SGP1 Series (in compatible displacement ranges).
Salami: 2PE Series.
Casappa: Polaris (PLP) Series.
To ensure a successful swap, verify the Mounting Flange (SAE A or European 4-bolt), Shaft Type (Splined, Taper
Oil Type: Premium mineral-based hydraulic fluids with strong Anti-Wear (AW) additive packages.
Viscosity: Standard ISO VG32 to VG68. The optimal operating range is 20 to 100 cSt (mm²/s), though it can handle cold starts up to 1,000 cSt.
Filtration: Cleanliness is vital. A minimum filtration of ISO 4406 19/16/13 is recommended to prevent abrasive particles from damaging the bushing faces.
Minimum Speed: Typically 500 – 600 RPM.
Maximum Speed: Up to 3,000 – 4,000 RPM (depending on the displacement size and suction conditions).
Yes, we support OEM and customization, including nameplate, packaging, and specific performance requirements. Send us your drawings or specifications for evaluation.
Please provide the following details:
Model or displacement
Working pressure
Speed
Quantity
We will reply within 12 hours with a competitive quotation.
HGP-2A pumps are manufactured in compliance with international standards, ensuring high performance and reliability:
ISO 9001: Certified for quality management systems.
CE Certification: Ensures compliance with European safety, health, and environmental protection standards.
RoHS Compliance: Ensures the pump does not contain hazardous materials.
Factory Testing: Every pump is rigorously tested for performance, pressure, and leak integrity before shipping.
The pump's flow is adjusted by changing the angle of an internal swash plate. As the swash plate angle changes, the stroke length of the pistons varies, which in turn changes the volume of fluid displaced per rotation, allowing the flow rate to adapt to the system's needs.
Factory established in 2005;
With a great deal of production experience;
80+ employees become the professional team;
Constant updated ERP system ensure efficiency of work;
Sophisticated equipment ehanced the accuracy of products;
Professional salesmen provide the greast service;
With a large number of famous customers all over the world;
Great after-sales service;
With the long term cooperation with famous logistics and express company in China,provide the better goods service.
Small order/sample order,full payment in advance; Big orders send the first payment 30% before the production,and the balance before shippment.We'll show the photos of the products and packages before delivery.
Of course we can. Just send me your logo we can make it for you.
America(40.5%):USA, Canada, Argentina, Brazil
Europe(30.8%):Italy,Germany,England,Holland,Spain,Swiss,Finland,Russia,Poland.
Asia(23.5%):Korea,singapore,India,Turkey,Vietnam,Saudi Arabia,Syria, Israel,Lebanon.
Others(5.8%).
The Green hydraulic pump manufacturing facility is a specialized industrial plant that focuses on producing hydraulic pumps and related components. These factories are equipped with advanced machinery and technology to fabricate high-quality pumps designed for a wide range of applications, from heavy equipment and machinery to automotive and industrial systems.
The production process typically involves precision engineering, where raw materials like metals and alloys are processed into pump components such as gears, pistons, cylinders, and seals. These parts are then assembled into fully functional hydraulic pumps, which are tested for performance and quality control to ensure reliability, efficiency, and durability under various working conditions.
Green Hydraulic's manufacturing facilities for hydraulic pumps maintain stringent quality standards, often adhering to international certifications, to meet the expectations of customers in industries such as construction, agriculture, automotive, and manufacturing.
All hydraulic pumps produced by Green Hydraulic have undergone compliance testing, ensuring their quality and reliability.
To meet the diverse needs of different industries, the green hydraulic offer customization options, such as specialized seals, materials, and pump configurations. These facilities often work closely with engineering teams to develop tailored solutions for specific applications, from high-pressure systems to low-flow, high-efficiency pumps.
Each pump undergoes a rigorous quality control process, where pressure tests and performance assessments are conducted to ensure that the pumps meet the required standards for flow rate, pressure capacity, and durability.