HGP-1A
Green Hydraulic
HGP-1A
Standard export carton/plywood case
Yes
ISO9001,CE
• Industrial • Energy • Government (Non Aerospace) • HVAC • Mobile • Natural Resources • Transportation (Non Aerospace)
1. Industrial Hydraulic Systems 2. Mobile Equipment (Industrial Vehicles) 3. Construction and Engineering Machinery 4. Metallurgy Industry
Key Shaft and Spline shaft
1 set
| Availability: | |
|---|---|
Product Description
The HGP-1A is a high-performance, fixed-displacement external gear pump engineered for compact hydraulic systems that require high efficiency and quiet operation. Featuring a high-strength, lightweight extruded aluminum alloy body, the HGP-1A is specifically designed to provide an exceptional power-to-weight ratio. Its versatile configuration makes it a preferred choice for industrial power units, material handling equipment, and agricultural machinery where reliability and precision are paramount.
High-Strength Aluminum Alloy Construction:
The HGP-1A is built with a premium-grade aluminum body and high-tensile cast iron covers. This combination ensures a lightweight design without sacrificing structural integrity. The robust housing minimizes body expansion and internal leakage, ensuring consistent performance even under high-pressure duty cycles.
Precision-Engineered Gear Design:
Utilizing precision-machined steel gears, the HGP-1A offers ultra-smooth rotation and reduced vibration. This design significantly lowers noise levels during operation and enhances the pump’s volumetric efficiency, ensuring reliable flow delivery across a wide range of speeds.
High-Efficiency Bushing & Seal System:
Equipped with advanced pressure-balanced bushings and high-quality seals, the HGP-1A maintains tight internal clearances. This minimizes mechanical friction and internal fluid bypass, providing exceptional mechanical efficiency and preventing premature wear in demanding work environments.
Superior High-Pressure Capability:
Despite its compact footprint, the HGP-1A is engineered to handle continuous operating pressures of up to 3,000 psi (210 bar). Its high-alloy steel components allow it to power high-force actuators and complex hydraulic circuits with smooth, reliable flow.
Modular Versatility and Installation Flexibility:
The HGP-1A series offers a versatile range of displacements (from 0.8 to 7.8 cc/rev) and supports standard SAE "A", DIN, and European mounting options. With multiple shaft styles (straight, splined, or tapered) and porting configurations, it provides unmatched installation flexibility for diverse industrial and mobile applications.

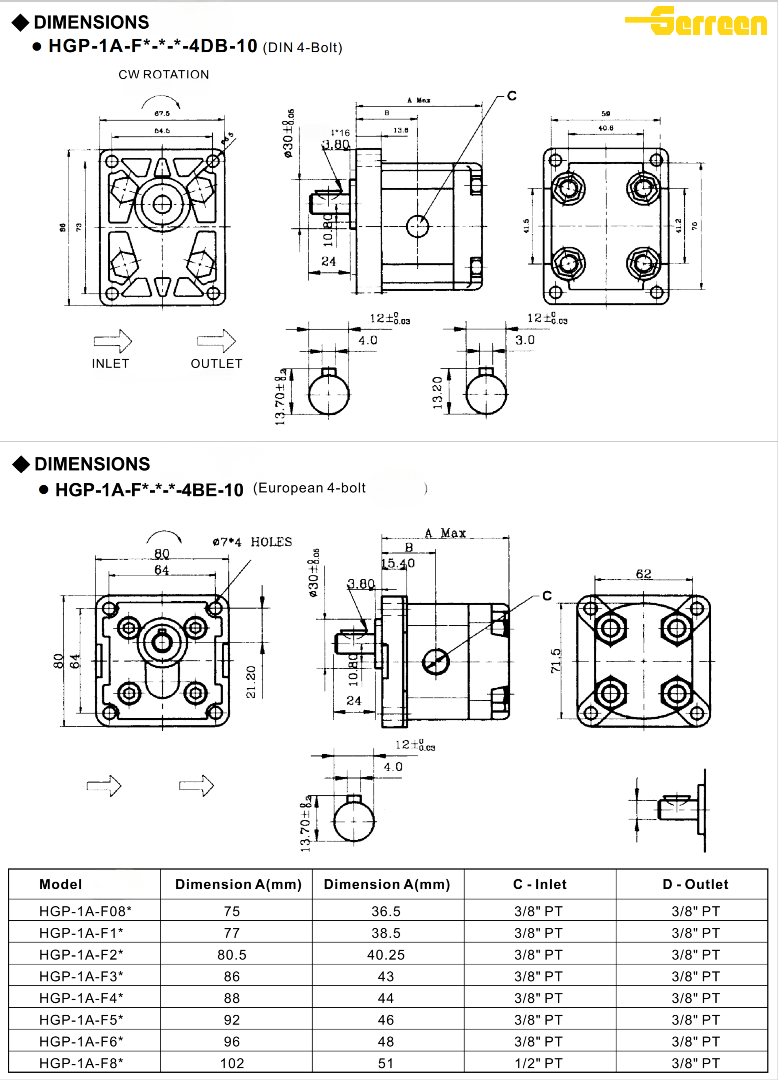
| Model | Displacement (cc/rev) | Rated Pressure (bar/psi) | Max. Pressure (bar/psi) | Max. Speed (rpm) | Min. Speed (rpm) |
| HGP-1A-F0.8 | 0.8 | 210 / 3000 | 250 / 3500 | 4500 | 600 |
| HGP-1A-F1 | 1.1 | 210 / 3000 | 250 / 3500 | 4500 | 600 |
| HGP-1A-F2 | 2.1 | 210 / 3000 | 250 / 3500 | 4500 | 600 |
| HGP-1A-F3 | 3.1 | 210 / 3000 | 250 / 3500 | 4500 | 600 |
| HGP-1A-F4 | 4.1 | 210 / 3000 | 250 / 3500 | 4000 | 600 |
| HGP-1A-F5 | 5.1 | 210 / 3000 | 250 / 3500 | 3200 | 600 |
| HGP-1A-F6 | 6.1 | 210 / 3000 | 250 / 3500 | 3200 | 600 |
| HGP-1A-F8 | 7.8 | 170 / 2500 | 210 / 3000 | 3200 | 600 |


Applications
Industrial Power Units (IPUs): A primary choice for small-scale hydraulic power packs used in factory automation, where the HGP-1A’s quiet operation and high volumetric efficiency provide reliable power for clamping, lifting, and positioning mechanisms.
Material Handling Equipment: Optimized for electric pallet jacks, stackers, and small forklift attachment systems, where the lightweight aluminum construction and compact frame ensure easy integration into tight chassis compartments.
Agricultural Machinery: Frequently employed in small tractors, seeders, and pesticide sprayers, where the HGP-1A handles consistent pressure requirements for implement control and auxiliary steering systems in outdoor environments.
Machine Tools & Plastic Machinery: Ideal for lubrication systems and cooling circuits in CNC machines or small injection molding units, offering a durable and cost-effective power source that maintains stable flow under continuous duty cycles.
Automotive & Tail Lifts: Widely used in truck tail-gate lifts and hydraulic ramp systems, where its high-pressure capability allows for rapid lifting operations while minimizing the overall weight of the vehicle’s hydraulic assembly.
HGP-1A pumps are typically packaged securely to prevent damage during transit. The packaging includes:
Protective Wrapping: To safeguard the pump from environmental damage.
Custom Crates: For larger, heavier pumps, ensuring safe handling.
Documentation: Includes installation, maintenance instructions, and warranty details.
Delivery time depends on the model, customizations, and location but typically ranges from 2 to 6 weeks from the order date.
The HGP-1A is a high-efficiency, fixed-displacement external gear pump and a core component of the HGP series. Featuring a high-strength extruded aluminum alloy construction, it is specifically engineered for compact hydraulic systems that require a lightweight design, quiet operation, and reliable pressure output in both industrial and mobile environments.
Lightweight Aluminum Body: Unlike cast iron pumps, the HGP-1A uses a specialized aluminum alloy that significantly reduces vehicle or machine weight while maintaining high structural integrity.
Low Noise Performance: The precision-machined gears and pressure-balanced design offer much quieter operation than standard cast iron models, making it ideal for indoor factory environments.
Economic Efficiency: It provides a highly cost-effective solution for medium-to-high pressure applications without the premium cost of all-cast-iron constructions.
Continuous Pressure: Up to 3,000 PSI (210 bar).
Intermittent/Peak Pressure: Up to 3,500 PSI (250 bar).
This robust pressure rating makes the HGP-1A ideal for powering industrial actuators, small lifters, and agricultural implements.
Shimadzu: SGP1 Series.
Kayaba (KYB): KFP22 Series.
Casappa: Polaris Series (comparable sizes).
To ensure a successful swap, verify the Mounting Flange (SAE 2-bolt or European 4-bolt), Shaft Type (Straight, Splined, or Tapered), and Displacement (cc/rev) to match your existing system.
Oil Type: Premium mineral-based hydraulic fluids with strong Anti-Wear (AW) additive packages.
Viscosity: Standard ISO VG32 to VG68. The optimal operating range is 16 to 40 cSt, though it can handle start-ups up to 800 cSt.
Filtration: Cleanliness is vital for aluminum pump longevity. A minimum filtration of 25 micron on the return line and a 150-mesh suction strainer is recommended.
The HGP-1A series is designed for high-speed versatility, with rated speeds typically ranging from 600 RPM to 4,500 RPM, depending on the specific displacement size.
Yes, we support OEM and customization, including nameplate, packaging, and specific performance requirements. Send us your drawings or specifications for evaluation.
Please provide the following details:
Model or displacement
Working pressure
Speed
Quantity
We will reply within 12 hours with a competitive quotation.
HGP-1A pumps are manufactured in compliance with international standards, ensuring high performance and reliability:
ISO 9001: Certified for quality management systems.
CE Certification: Ensures compliance with European safety, health, and environmental protection standards.
RoHS Compliance: Ensures the pump does not contain hazardous materials.
Factory Testing: Every pump is rigorously tested for performance, pressure, and leak integrity before shipping.
The pump's flow is adjusted by changing the angle of an internal swash plate. As the swash plate angle changes, the stroke length of the pistons varies, which in turn changes the volume of fluid displaced per rotation, allowing the flow rate to adapt to the system's needs.
Factory established in 2005;
With a great deal of production experience;
80+ employees become the professional team;
Constant updated ERP system ensure efficiency of work;
Sophisticated equipment ehanced the accuracy of products;
Professional salesmen provide the greast service;
With a large number of famous customers all over the world;
Great after-sales service;
With the long term cooperation with famous logistics and express company in China,provide the better goods service.
Small order/sample order,full payment in advance; Big orders send the first payment 30% before the production,and the balance before shippment.We'll show the photos of the products and packages before delivery.
Of course we can. Just send me your logo we can make it for you.
America(40.5%):USA, Canada, Argentina, Brazil
Europe(30.8%):Italy,Germany,England,Holland,Spain,Swiss,Finland,Russia,Poland.
Asia(23.5%):Korea,singapore,India,Turkey,Vietnam,Saudi Arabia,Syria, Israel,Lebanon.
Others(5.8%).
The Green hydraulic pump manufacturing facility is a specialized industrial plant that focuses on producing hydraulic pumps and related components. These factories are equipped with advanced machinery and technology to fabricate high-quality pumps designed for a wide range of applications, from heavy equipment and machinery to automotive and industrial systems.
The production process typically involves precision engineering, where raw materials like metals and alloys are processed into pump components such as gears, pistons, cylinders, and seals. These parts are then assembled into fully functional hydraulic pumps, which are tested for performance and quality control to ensure reliability, efficiency, and durability under various working conditions.
Green Hydraulic's manufacturing facilities for hydraulic pumps maintain stringent quality standards, often adhering to international certifications, to meet the expectations of customers in industries such as construction, agriculture, automotive, and manufacturing.
All hydraulic pumps produced by Green Hydraulic have undergone compliance testing, ensuring their quality and reliability.
To meet the diverse needs of different industries, the green hydraulic offer customization options, such as specialized seals, materials, and pump configurations. These facilities often work closely with engineering teams to develop tailored solutions for specific applications, from high-pressure systems to low-flow, high-efficiency pumps.
Each pump undergoes a rigorous quality control process, where pressure tests and performance assessments are conducted to ensure that the pumps meet the required standards for flow rate, pressure capacity, and durability.