CBK-F1000 Series Gear Pump
Green Hydraulic
CBK-F1000 Series Gear Pump
Yes
ISO9001,CE
• Industrial • Energy • Government (Non Aerospace) • HVAC • Mobile • Natural Resources • Transportation (Non Aerospace)
1. Industrial Hydraulic Systems 2. Mobile Equipment (Industrial Vehicles) 3. Construction and Engineering Machinery 4. Metallurgy Industry
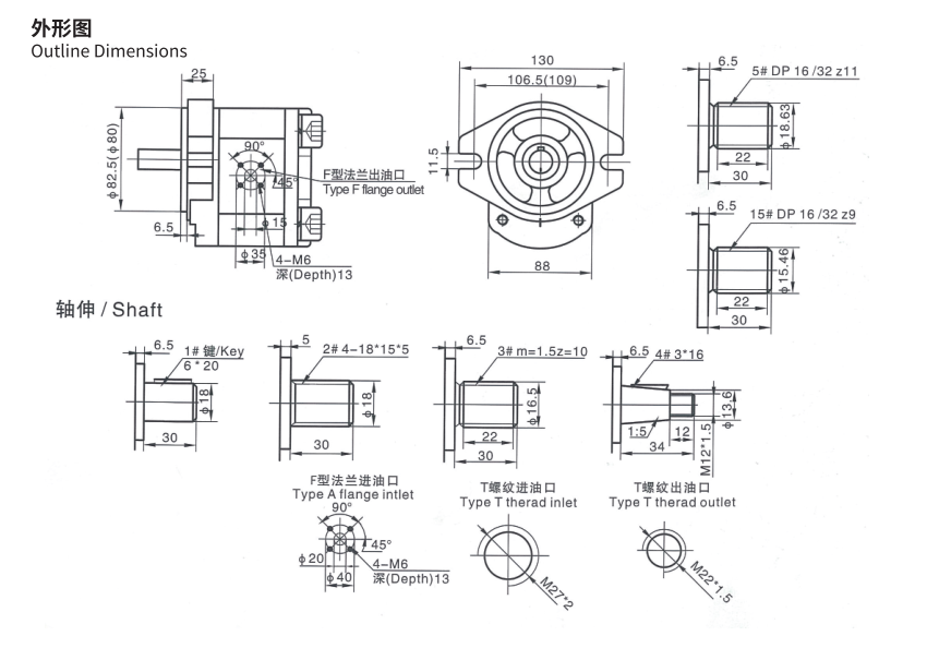
Key Shaft and Spline shaft
1 set
| Availability: | |
|---|---|
Product Description
CBK-F1000 Series Gear Pumps are engineered for high-pressure performance, exceptional reliability, and long service life. Designed with a high-strength aluminum alloy body and precision-engineered gears, thesepumps provide consistent hydraulic power for material handling, construction, and agricultural machinery, making them the preferred choice for OEM replacements in brands like Toyota, Komatsu, and Mitsubishi.

Exceptional durability achieved through high-grade wear-resistant materials, specialized surface-treated gears, and the use of high-load DU bushings for superior lubrication.
Advanced gear tooth profiles and a precision-machined housing reduce fluid pulsation and mechanical vibration, maintaining low noise levels during high-pressure operation.
Features a pressure-loading design that maintains high volumetric and mechanical efficiency, minimizing internal leakage and heat generation.
Standardized ISO and SAE mounting flanges and shaft options allow for easy installation in tight spaces and seamless integration into existing systems.
Supports tandem (double) or triple pump configurations, providing a cost-effective and flexible solution for multi-circuit hydraulic packages.


Applications
Winches, oil field and drilling
equipment, earthmoving and
construction equipment, die
casting, molding machines, press
machines, trash compactors, balers
and primary metals
Gear Pumps are typically packaged securely to prevent damage during transit. The packaging includes:
Protective Wrapping: To safeguard the high-precision pump body and shaft from moisture and environmental damage.
Custom Cartons or Crates: Individual reinforced packaging with shock-absorbent inserts for single pumps, and sturdy wooden crates for bulk or tandem pump orders to ensure safe handling.
Documentation: Includes technical data sheets, installation guides, and quality inspection certificates.
Delivery time depends on the specific model, port configurations, and destination but typically ranges from 1 to 4 weeks from the order date.
1. What is the CBK-F1000 Series Gear Pump used for?
CBK-F1000 Series gear pumps are widely used in hydraulic power units, agricultural machinery, dump trailers, forklifts, and industrial hydraulic systems.
2. What are the main features of the CBK-F1000 gear pump?
It features compact construction, stable flow output, high volumetric efficiency, low noise, and reliable performance under continuous-duty conditions.
3. What hydraulic fluids are suitable for the CBK-F1000 Series?
It is generally suitable for mineral-based hydraulic oils and anti-wear hydraulic fluids recommended by the hydraulic system manufacturer.
4. Can the CBK-F1000 gear pump operate in both rotation directions?
Yes, clockwise and counterclockwise rotation options are available depending on shaft type and model code.
5. What causes low pressure or reduced flow in a CBK-F1000 pump?
Common causes include suction blockage, air ingress, internal gear wear, contaminated oil, or incorrect rotation.
6. How should the CBK-F1000 gear pump be maintained?
Maintain clean hydraulic oil, inspect seals and bearings regularly, replace filters on schedule, and avoid cavitation or dry running.
7. Is the CBK-F1000 Series suitable for high-pressure applications?
Yes, it is designed for medium to high-pressure hydraulic systems within rated operating limits.
8. Can you provide replacement or OEM-compatible CBK-F1000 pumps?
Yes, OEM replacement and customized compatible pumps are available with different displacement, shaft, and mounting options.
Charge pumps are manufactured in compliance with international standards, ensuring high performance and reliability:
ISO 9001: Certified for quality management systems.
CE Certification: Ensures compliance with European safety, health, and environmental protection standards.
RoHS Compliance: Ensures the pump does not contain hazardous materials.
Factory Testing: Every pump is rigorously tested for performance, pressure, and leak integrity before shipping.
The pump's flow is adjusted by changing the angle of an internal swash plate. As the swash plate angle changes, the stroke length of the pistons varies, which in turn changes the volume of fluid displaced per rotation, allowing the flow rate to adapt to the system's needs.
Factory established in 2005;
With a great deal of production experience;
80+ employees become the professional team;
Constant updated ERP system ensure efficiency of work;
Sophisticated equipment ehanced the accuracy of products;
Professional salesmen provide the greast service;
With a large number of famous customers all over the world;
Great after-sales service;
With the long term cooperation with famous logistics and express company in China,provide the better goods service.
Small order/sample order,full payment in advance; Big orders send the first payment 30% before the production,and the balance before shippment.We'll show the photos of the products and packages before delivery.
Of course we can. Just send me your logo we can make it for you.
America(40.5%): USA, Canada, Argentina, Brazil
Europe(30.8%): Italy,Germany,England,Holland,Spain,Swiss,Finland,Russia,Poland.
Asia(23.5%): Korea,singapore,India,Turkey,Vietnam,Saudi Arabia,Syria, Israel,Lebanon.
Others(5.8%).
The Green hydraulic pump manufacturing facility is a specialized industrial plant that focuses on producing hydraulic pumps and related components. These factories are equipped with advanced machinery and technology to fabricate high-quality pumps designed for a wide range of applications,
from heavy equipment and machinery to automotive and industrial systems.
The production process typically involves precision engineering, where raw materials like metals and alloys are processed into pump components such as gears, pistons, cylinders, and seals. These parts are then assembled into fully functional hydraulic pumps, which are tested for performance and quality control to ensure reliability, efficiency, and durability under various working conditions.
Green Hydraulic's manufacturing facilities for hydraulic pumps maintain stringent quality standards, often adhering to international certifications, to meet the expectations of customers in industries such as construction,
agriculture, automotive, and manufacturing.
All hydraulic pumps produced by Green Hydraulic have undergone compliance testing, ensuring their quality and reliability.
To meet the diverse needs of different industries, the green hydraulic offer customization options, such as specialized seals, materials, and pump configurations. These facilities often work closely with engineering teams to develop tailored solutions for specific applications, from high-pressure systems to low-flow, high-efficiency pumps.
Each pump undergoes a rigorous quality control process, where pressure tests and performance assessments are conducted to ensure that the pumps meet the required standards for flow rate, pressure capacity, and durability.