Views: 0 Author: Green Hydraulic Publish Time: 2026-04-18 Origin: Site
YCY piston pump is a type of variable displacement axial piston hydraulic pump commonly used in industrial and heavy machinery applications. It features pressure compensation, high efficiency, and a compact design, making it suitable for systems requiring precise flow control and high pressure.
The "Y" in the designation typically indicates that the pump features a constant pressure compensation control mechanism.
YCY Axial Piston Pump - Green Hydraulic
The pump operates on the axial piston principle. As the cylinder block rotates, the pistons move back and forth within the cylinder bores. The "Y" (constant pressure) control works by automatically adjusting the angle of the swash plate:
When system pressure is low: The swash plate remains at its maximum angle, providing maximum flow.
When system pressure reaches a set point: The pump automatically reduces the swash plate angle (decreasing flow) to maintain that specific pressure level.
At the pressure limit: If the system doesn't require flow, the pump moves to "zero-stroke," maintaining pressure while consuming minimal power.
The YCY pressure compensated variable axial piston hydraulic pump distributes hydraulic oil through a swash plate and cylinder. Compared with other types of pumps, its unique hydrostatic balance structure between the swash plate and the pump cylinder has the advantages of simple structure, compact size, high efficiency, long life, lightweight design, and strong self-priming ability.
YCY hydraulic piston pump is mainly used in hydraulic transmission systems such as hydraulic machinery, forging, metallurgy, engineering, and mining. It is easy to maintain and generally only needs to replace the piston or swash plate and other pump components.

Model | Rated Pressure (Bar) | Nominal displacement (ml/r) | Rated flow (L/min) | Power-output (KW) | ||
| 1000rpm | 1500rpm | 1000rpm | ||||
| 2.5 | YCY14-1B | 315 | 2.5 | 2.5 | 3.75 | 1.43 |
| 10 | 315 | 10 | 10 | 15 | 5.7 | |
| 25 | 315 | 25 | 25 | 37.5 | 14.1 | |
| 40 | 315 | 40 | 40 | 60 | 22.6 | |
| 63 | 315 | 63 | 63 | 94.5 | 35.6 | |
| 80 | 315 | 80 | 80 | 120 | 46.6 | |
| 160 | 315 | 160 | 160 | 240 | 92.2 | |
| 250 | 315 | 250 | 250 | 375 | 133.2 | |
| 400 | 315 | 400 | 400 | 600 | 199.5 | |
Displacements range from 10 to 250 (400) ml/r to meet different hydraulic system needs.
Pressure rated up to 315 bar ensuring reliable performance under high pressure conditions.
The operating speed range is 60 (80) from 1.25 ml/r to 1500 r/min, providing efficient functionality in a variety of applications.
Designed for displacements between 160 ml/r and 400 ml/r, offering versatility in system configuration.
Made from high-quality materials including cast iron, copper, and steel for durability and longevity.
Customizable color options accommodate personal preference and application.
Accept OEM/ODM requests based on provided drawings or samples to ensure tailor-made solutions.
Key features include a variable axial piston design with pressure compensation, ideal for dynamic hydraulic operation.
Experience the performance and reliability of the YCY piston pump line, including the 10YCY 14-1B, 25YCY 14-1B, 32YCY 14-1B, 40YCY 14-1B and 63YCY 14-1B models.

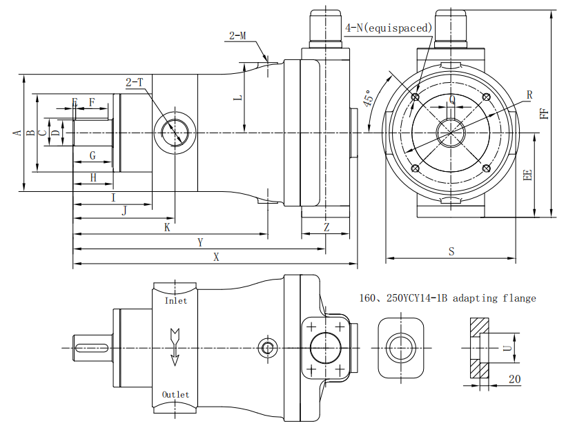
| Dimensionmodel | 10(16)YCY | 25(40)YCY | 63(80)YCY | 160YCY | 250(400)YCY |
| A | Φ125 | Φ150 | Φ190 | Φ240 | Φ280 |
| B(f9) | Φ75 | Φ100 | Φ120 | Φ150 | Φ180 |
| C | 27.5 | 32.5 | 42.8 | 59 | 63.9 |
| D(h6) | Φ25 | Φ30 | Φ40 | Φ55 | Φ60 |
| E | 4 | 4 | 4 | 4 | 5 |
| F | 30 | 45 | 50 | 100 | 100 |
| G | 40 | 52 | 60 | 106 | 110 |
| H | 41 | 54 | 62 | 110 | 112 |
| I | 86 | 104 | 122 | 180 | 212 |
| J | 109 | 134 | 157 | 230 | 272(277) |
| K | 194 | 246 | 300 | 411 | 492(502) |
| L | 71 | 83 | 108 | 141 | 170 |
| M | M14x1.5 | M14x1.5 | M18x1.5 | M22x1.5 | M22x1.5 |
| N | M10 | M10 | M12 | M16 | M20 |
| P | M16 | M20 | |||
| Q(h9) | 8 | 8 | 12 | 16 | 18 |
| R | Φ100 | Φ125 | Φ155 | Φ198 | Φ230 |
| S | 142 | 172 | 200 | 340 | 420 |
| T | M22x1.5 | M33(M42)x2 | M42(M48)x2 | Φ55 | Φ64(Φ66) |
| U | Φ64 | Φ76 | |||
| X | 294 | 362 | 439 | 595 | 690(700) |
| Y | 258 | 317 | 390 | 533 | 629(639) |
| Z | 50 | 66 | 74 | 100 | 100 |
| EE | 100 | 120 | 140 | 173 | 210 |
| FF | 288 | 350 | 400 | 448 | 516 |