P81
Zelená hydraulika
Ano
ISO9001, CE
Průmysl
1 sada
| Dostupnost: | |
|---|---|
Popis produktu
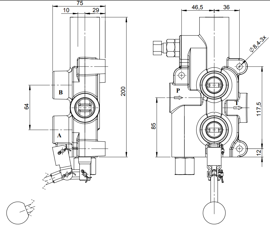
Směrový řídicí ventil P81 se primárně používá ve štípačkách na dřevo, ovládá hydraulický válec pro štípání dřeva pomocí jedinečného pružinově centrovaného/záchytného mechanismu, který automaticky zatáhne válec. Nachází se také v jiných mobilních hydraulických aplikacích, jako jsou zemědělské a stavební stroje, kde je potřeba přesné nasměrování kapaliny pro válce nebo motory, které nabízí kompaktní, robustní a nákladově efektivní ovládání.
Monoblok Design: Kompaktní, prostorově úsporný a snadno integrovatelný.
Vysoký výkon: Zvládá významný průtok (kolem 80 l/min) a tlak (až 250 bar).
Nákladově efektivní: Může snížit náklady na systém, což umožňuje použití jednostupňových čerpadel tam, kde by jinak bylo zapotřebí dvoustupňové.
Uživatelsky přívětivé: Intuitivní ovládání pákou a jednoduchá integrace.
Bezpečnost: Vestavěný nastavitelný pojistný ventil a funkce automatického vyhazování.


Aplikace:
Štípačky dřeva (primární použití): Nasměruje hydraulickou kapalinu k vysouvání a zasouvání štípacího klínu, má speciální aretaci s uvolněním tlaku (kick-out), která automaticky vrátí cívku do neutrální polohy poté, co válec dosáhne konce zdvihu, čímž se zvyšuje bezpečnost a účinnost.
Zemědělské stroje: Používá se k ovládání funkcí na traktorech nebo nářadí vyžadujících hydraulickou energii, jako jsou nakladače nebo nářadí vyžadující přesný pohyb.
Stavební vybavení: Lze integrovat do různých těžkých strojů pro ovládání hydraulických válců nebo motorů.
Průmyslová vozidla: Použitelné v jiných mobilních systémech vyžadujících kompaktní, výkonné hydraulické ovládání.

Hydraulické ventily jsou obvykle bezpečně zabaleny, aby se zabránilo poškození během přepravy. Balení obsahuje:
Ochranný obal: K ochraně čerpadla před poškozením prostředím.
Vlastní přepravky: Pro větší a těžší čerpadla, zajišťující bezpečnou manipulaci.
Dokumentace: Obsahuje pokyny pro instalaci, údržbu a podrobnosti o záruce.
Dodací lhůta závisí na modelu, přizpůsobení a umístění, ale obvykle se pohybuje od 2 do 6 týdnů od data objednávky.
Všechna lamelová čerpadla jsou vyráběna v souladu s mezinárodními standardy, což zajišťuje vysoký výkon a spolehlivost:
ISO 9001: Certifikováno pro systémy managementu kvality.
Certifikace CE: Zajišťuje shodu s evropskými standardy bezpečnosti, zdraví a ochrany životního prostředí.
Shoda s RoHS: Zajišťuje, že čerpadlo neobsahuje nebezpečné materiály.
Tovární testování: Každé čerpadlo je před odesláním přísně testováno na výkon, tlak a integritu netěsností.

Továrna založena v roce 2005;
S velkým množstvím výrobních zkušeností;
80+ zaměstnanců se stává profesionálním týmem;
Neustále aktualizovaný ERP systém zajišťuje efektivitu práce;
Sofistikované vybavení zvýšilo přesnost výrobků;
Profesionální prodejci poskytují nejlepší služby;
S velkým počtem slavných zákazníků po celém světě;
Skvělý poprodejní servis;
Díky dlouhodobé spolupráci se slavnou logistickou a expresní společností v Číně poskytujte lepší služby zboží.
Malá objednávka / vzorová objednávka, plná platba předem; Velké objednávky zasílají první platbu 30% před výrobou a zůstatek před odesláním. Před dodáním ukážeme fotografie produktů a balíčků.
Samozřejmě, že můžeme. Stačí, když mi pošlete své logo, můžeme ho pro vás vyrobit.
Amerika (40,5 %): USA, Kanada, Argentina, Brazílie
Evropa (30,8 %): Itálie, Německo, Anglie, Holandsko, Španělsko, Švýcarsko, Finsko, Rusko, Polsko.
Asie (23,5 %): Korea, Singapur, Indie, Turecko, Vietnam, Saúdská Arábie, Sýrie, Izrael, Libanon.
Ostatní (5,8 %).
Dobrá odolnost: Zubové čerpadlo SGP2 je vyrobeno z vysoce kvalitních materiálů, které odolají vysokému tlaku a vysoké teplotě a zajišťují dobrou životnost.
Široký rozsah použití: Zubové čerpadlo SGP2 lze použít k přepravě různých typů kapalin, jako je čistá voda, odpadní vody, tekuté potraviny, chemická korozní kapalina atd., se širokou škálou aplikací.

Závod na výrobu hydraulických čerpadel Green je specializovaný průmyslový závod, který se zaměřuje na výrobu hydraulických čerpadel a souvisejících komponent. Tyto továrny jsou vybaveny pokročilým strojním zařízením a technologií pro výrobu vysoce kvalitních čerpadel určených pro širokou škálu aplikací, od těžkých zařízení a strojů až po automobilové a průmyslové systémy.
Výrobní proces obvykle zahrnuje přesné strojírenství, kde se suroviny, jako jsou kovy a slitiny, zpracovávají na součásti čerpadel, jako jsou ozubená kola, písty, válce a těsnění. Tyto díly jsou poté sestaveny do plně funkčních hydraulických čerpadel, která jsou testována na výkon a kontrolu kvality, aby byla zajištěna spolehlivost, účinnost a životnost za různých pracovních podmínek.
Všechna hydraulická čerpadla vyráběná společností Green Hydraulic prošla testováním shody, což zajišťuje jejich kvalitu a spolehlivost.
Pro splnění různorodých potřeb různých průmyslových odvětví nabízí zelená hydraulika možnosti přizpůsobení, jako jsou specializovaná těsnění, materiály a konfigurace čerpadel. Tato zařízení často úzce spolupracují s inženýrskými týmy na vývoji řešení šitých na míru pro konkrétní aplikace, od vysokotlakých systémů po nízkoprůtoková, vysoce účinná čerpadla.

